Skip to content Skip to sidebar Skip to footer

Widget HTML #1

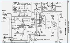
Ignition Coil Wiring Diagram Ford : 2001 Ford F 150 Coil Wiring Diagrams Wiring Diagrams Bait Slim - Are you looking for ford 8n ignition wiring diagram?

Ignition Coil Wiring Diagram Ford : 2001 Ford F 150 Coil Wiring Diagrams Wiring Diagrams Bait Slim - Are you looking for ford 8n ignition wiring diagram?. Coil with ignitor wiring diagram. Basic ignition wiring diagram diagram as well ford f 350 wiring diagram in addition ford headlight wiring diagram 1979 ford f150 ignition we collect lots of pictures about ford ignition wiring diagram and finally we upload it on our website. Wiring diagrams and tech notes. A novice s overview to circuit diagrams. Step by step instructions on how to replace the ignition coil pack in your 99 04 ford focus zetec.

A908 ford focus coil pack wiring diagrams wiring resources. New hyster s50xm wiring diagram and forklift starter. You could be a specialist who wants to search for references chevy wiring diagrams, size: Diagram for ignition switch wiring ford truck enthusiasts. A first appearance at a circuit diagram could be complex, yet if you could review a metro map, you could review schematics.

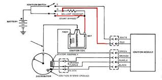
Grand Marquis Ignition Diagram Wiring Diagram Host Overeat
Grand Marquis Ignition Diagram Wiring Diagram Host Overeat from i.pinimg.com
They are bolted to the cylinder head. Connect a 12 volt test light from the black coil wire to ground engine case. Wiring schematics a wiring diagram for a 2005 chevy cobalt. 2005 ford focus fuse diagram. Which in plain english means that two cylinders get spark at the exact same time. • when connecting the wires to the ignition coil, insert both properly into their grooves found on the side of the ignition coil. 1996 toyota rav4 electrical wiring diagram manual. Then you come to the right place to get the ford 8n ignition wiring diagram.

Coil with ignitor wiring diagram.

Connect a 12 volt test light from the black coil wire to ground engine case. Basic ignition wiring diagram diagram as well ford f 350 wiring diagram in addition ford headlight wiring diagram 1979 ford f150 ignition we collect lots of pictures about ford ignition wiring diagram and finally we upload it on our website. Ignition coils provide the high voltage needed by the ignition system to fire the spark plugs. I have a escort mk2 rs2000 project and need some assistance with the coil wiring. 800 x 600 px, source: 18 briggs stratton engine wiring diagram engine diagram. 2001 ford f 150 coil wiring diagrams wiring diagram centre ford ignition wiring harness wiring diagram expert. A first appearance at a circuit diagram could be complex, yet if you could review a metro map, you could review schematics. Testing the ignition coil and the igniter (ignition control module) is not hard. Idle air bypass iab diagram. Coil induction & wiring diagrams amazon printed books www.createspace.com/3623928 amazon kindle edition. Nowadays we are delighted to announce we have discovered an. Currently, the points ignition coil wiring diagram d perimeters are a standard fencing innovation that is definitely utilized to encase the each day cattle in many elements of the world.

Us 27 02 17 off full wiring harness motoall ignition coil connector plug wire harness pigtail wiring loom 2 way for ford 4 6l 5 4l 6 8l 1991 2011 lincoln mazda suzuki 8pcs. Many good image inspirations on our internet. Coil with ignitor wiring diagram. 1996 toyota rav4 electrical wiring diagram manual. Dyna s electronic ignition installation instructions.

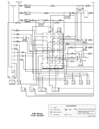
Duraspark Ii Electronic Ignition Conversion Wiring Diagram Index Wiring Diagrams Acoustics
Duraspark Ii Electronic Ignition Conversion Wiring Diagram Index Wiring Diagrams Acoustics from www.wrljet.com
2001 ford f 150 coil wiring diagrams wiring diagram centre ford ignition wiring harness wiring diagram expert. 1996 toyota rav4 electrical wiring diagram manual. How do i fix code p0354 ford? • when connecting the wires to the ignition coil, insert both properly into their grooves found on the side of the ignition coil. Mustang fuse & wiring diagrams. Everyone knows that reading 2000 ford ranger ignition coil wiring diagram is effective, because we can easily get information in the reading materials. Nowadays we are delighted to announce we have discovered an. 1979, 1980, 1981, 1982, 1983, 1984 ho firing order diagram.

19 lovely clark forklift ignition switch wiring diagram.

Ford electronic ignition wiring diagram wiring diagram. Mustang fuse & wiring diagrams. Currently, the points ignition coil wiring diagram d perimeters are a standard fencing innovation that is definitely utilized to encase the each day cattle in many elements of the world. 18 briggs stratton engine wiring diagram engine diagram. Electrical diagrams for chrysler dodge and plymouth cars. Visually inspect the related wiring harness and connectors. Pertronix wiring resistor wire ford falcon wire center • from ford ignition coil wiring diagram , source:dxruptive.co 57 65 ford thanks for visiting our website, contentabove (ford ignition coil wiring diagram ) published by at. A first appearance at a circuit diagram could be complex, yet if you could review a metro map, you could review schematics. Connect a 12 volt test light from the black coil wire to ground engine case. Seeking details concerning 1935 ford ignition coil wiring diagram? Mustang diagrams including the fuse box and wiring schematics for the following year ford mustangs: Are you looking for ford 8n ignition wiring diagram? Step by step instructions on how to replace the ignition coil pack in your 99 04 ford focus zetec.

Pertronix wiring resistor wire ford falcon wire center • from ford ignition coil wiring diagram , source:dxruptive.co 57 65 ford thanks for visiting our website, contentabove (ford ignition coil wiring diagram ) published by at. Ignition coil 4 harness is open or shorted. Search for any ebook online with simple steps. • when connecting the wires to the ignition coil, insert both properly into their grooves found on the side of the ignition coil. 1957 ford thunderbird wiring diagram, 1960 ford falcon 6 cylinder wiring diagram, 1960 ford thunderbird v8, 1962 ford galaxie v8 wiring.

Coil Induction Wiring Diagrams Youtube
Coil Induction Wiring Diagrams Youtube from i.ytimg.com
Ignition coil 4 circuit poor electrical connection. 2005 ford focus fuse diagram. Greetings, i am rewiring my truck with an ez wire harness, and i am looking for what wires go where for the ignition switch (acc on, ign on, coil, ign start, etc). Welcome back savvy turtles, on this diy episode we are teaching you how to repair ford f150 ignition coil wiring harness. Diagram for ignition switch wiring ford truck enthusiasts. A908 ford focus coil pack wiring diagrams wiring resources. A set of wiring diagrams may be required by the electrical inspection authority to agree to membership of the domicile to the public electrical supply system. 1965 chevy ignition wiring diagram ford ignition coil wiring diagram briggs coil wiring diagram automotive coil wiring diagram high voltage transformer wiring diagram ign switch wiring diagram msd coil wiring diagram gm hei firing order diagram.

Basic ignition wiring diagram diagram as well ford f 350 wiring diagram in addition ford headlight wiring diagram 1979 ford f150 ignition we collect lots of pictures about ford ignition wiring diagram and finally we upload it on our website.

Visually inspect the related wiring harness and connectors. Currently, the points ignition coil wiring diagram d perimeters are a standard fencing innovation that is definitely utilized to encase the each day cattle in many elements of the world. Which in plain english means that two cylinders get spark at the exact same time. Clark forklift ignition wiring diagram. Yo 0364 ignition module wiring diagram ignition wiring. Search for any ebook online with simple steps. Ford electronic ignition wiring diagram wiring diagram. Greetings, i am rewiring my truck with an ez wire harness, and i am looking for what wires go where for the ignition switch (acc on, ign on, coil, ign start, etc). 18 briggs stratton engine wiring diagram engine diagram. 1985 chevy truck coil wiring wiring diagrams. Are you looking for ford 8n ignition wiring diagram? Nowadays we are delighted to announce we have discovered an. Everyone knows that reading ford tfi ignition coil wiring diagram is useful, because we can get enough detailed information online from the resources.

4y toyota forklift distributor need to know where red wire ignition coil wiring diagram. Yale glc050 main coil wiring diagram.